Ich habe hier einen zwar schon alten aber neuwertigen, unbenutzen Mini-Industrie-PC mit Touchscreen anzubieten!
Auf dem Flash ist Windows CE installiert mit allen Treibern die das Board so braucht.
Auflösung ist 640x480.
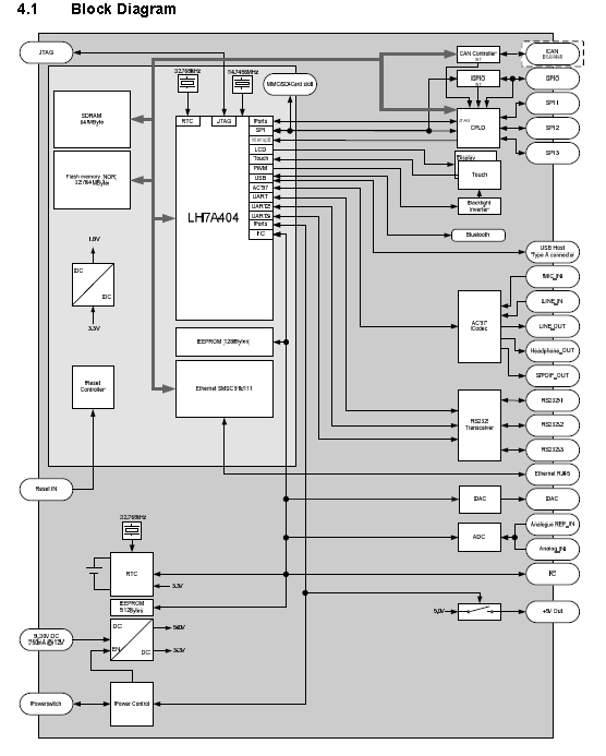
Tonnenweise Anschlüsse vorhanden!
.
.
.
Mit VisualBasic o.Ä. kann man das Teil auch prima zu Steuerungszwecken programmieren.
Das gute ist, ich habe auch die nicht mehr erhältlichen Unterlagen dazu als PDF!
Hier die beiden Dateien:
https://www.mega-hz.de/forum_bilder/JUP ... %20r07.pdf
https://www.mega-hz.de/forum_bilder/JUP ... %20r06.pdf
Das Teil kann mit 9-30V DC betrieben werden.
Hat jemand Interesse daran?
Preisvorstellung sind 39€
